ГОСТ 7805-70: СПРАВОЧНАЯ ИНФОРМАЦИЯ

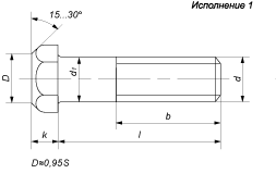
Болт с шестигранной головкой, класс точности A ГОСТ 7805-70
Болт ГОСТ 7805-70 применяется в машиностроении, приборостроении и строительстве в качестве деталей соединения.
Марки стали: 10кп, 20кп, 10, 20, 35, 20Г2Р, 40Х, 30ХР.
Класс точности: A.
Поле допуска резьбы: 6g.
Класс прочности: 4,8; 5,8; 8,8; 10,9.
Аналоги ГОСТ: ГОСТ 7798-70, ГОСТ 15589-70
Близкие аналоги (ISO, DIN, EN ISO):
|
Стандарт |
Наименование |
Примечание |
| DIN 931 (EN ISO 4014) |
Болт с шестигранной головкой и неполной резьбой |
Практически полностью совпадают. Существуют незначительные различия в отдельных параметрах. |
| DIN 933 (EN ISO 4017) |
Болт с шестигранной головкой и полной резьбой |
DIN 933 (EN ISO 4017) болт с полной резьбой. По этой причине основное различие связано с длиной резьбовой части. По тем типам размеров в ГОСТ 7805-70, где резьбовая часть соответствует длине болта DIN 933 (EN ISO 4017) может быть использован в качестве полного аналога. |
ГОСТ 7805-70
|
Параметры болта |
Номинальный диаметр резьбы d |
||||||||||||||||
|
М5 |
М6 |
М8 |
М10* |
М12* |
M14* |
M16 |
М18 |
М20 |
М22* |
М24 |
М27 |
М30 |
М36 |
М42 |
М48 |
||
|
Шаг резьбы, P |
крупный |
0,8 |
1 |
1,25 |
1,5 |
1,75 |
2 |
2 |
2,5 |
2,5 |
2,5 |
3 |
3 |
3,5 |
4 |
4,5 |
5 |
|
мелкий |
- | - |
1 |
1,25 |
1,25 |
1,5 |
1,5 |
1,5 |
1,5 |
1,5 |
2 |
2 |
2 |
3 |
3 |
3 |
|
|
Размер под ключ, S |
8 |
10 |
13 |
17 |
19 |
22 |
24 |
27 |
30 |
32 |
36 |
41 |
46 |
55 |
65 |
75 |
|
|
Диаметр, d1 |
5 |
6 |
8 |
10 |
12 |
14 |
16 |
18 |
20 |
22 |
24 |
27 |
30 |
36 |
42 |
48 |
|
|
Высота головки, k |
3,5 |
4 |
5,3 |
6,4 |
7,5 |
8,8 |
10 |
12 |
12,5 |
14 |
15 |
17 |
18,7 |
22,5 |
26 |
30 |
|
|
Диаметр описанной окружности e, не менее |
8,8 |
11,1 |
14,4 |
18,9 |
21,1 |
24,5 |
26,8 |
30,1 |
33,5 |
35,7 |
40 |
45,6 |
51,3 |
61,3 |
72,6 |
83,9 |
|
|
hw, не менее |
0,15 |
0,15 |
0,15 |
0,15 |
0,15 |
0,15 |
0,2 |
0,2 |
0,2 |
0,2 |
0,2 |
0,2 |
0,2 |
0,2 |
0,25 |
0,25 |
|
|
dw, не менее |
6,9 |
8,9 |
11,6 |
15,6 |
17,4 |
20,6 |
22,5 |
25,3 |
28,2 |
30 |
33,6 |
38 |
42,7 |
51,1 |
61 |
70,5 |
|
|
Длина резьбовой части, b |
L≤125 |
16 |
18 |
22 |
26 |
30 |
34 |
38 |
42 |
46 |
50 |
54 |
60 |
66 |
78 |
90 |
102 |
|
125<l≤200<></l≤200<> |
- | - | - |
32 |
36 |
40 |
44 |
48 |
52 |
56 |
60 |
66 |
72 |
84 |
96 |
108 |
|
|
L>200 |
- | - | - | - |
49 |
53 |
57 |
61 |
65 |
69 |
73 |
79 |
85 |
97 |
109 |
121 |
|
Все параметры в таблице указаны в мм.
* 01.01.1991г. в ГОСТ внесено изменение, предусматривающее возможность изготовления размеров М10, М12, М14, М22 со следующими изменениями в параметрах при неизменности остальных:
|
Параметры болта |
Номинальный диаметр резьбы d |
|||
|
М10 |
М12 |
M14 |
М22 |
|
|
Размер под ключ, S |
16 |
18 |
21 |
34 |
|
Диаметр описанной окружности e, не менее |
17,8 |
20 |
23,4 |
37,7 |
|
dw, не менее |
14,6 |
16,6 |
19,6 |
31,7 |
При необходимости учета данных параметров при заказе продукции с номинальным размером указанном в таблице просим уточнять у менеджеров данные параметры, а также вес таких изделий.
Масса болтов ГОСТ 7805-70 (крупный шаг резьбы). Вес размером М10, М12, М14, М22 указан в соответствии с параметрами их производства согласно 1 таблице.
|
Длина болта l, мм |
Теоретическая масса 1000 шт. болтов, кг. при номинальном диаметре резьбы d |
|||||||||||||||
|
М5 |
М6 |
М8 |
М10 |
М12 |
M14 |
M16 |
М18 |
М20 |
М22 |
М24 |
М27 |
М30 |
М36 |
М42 |
М48 |
|
|
10 |
2,754 |
4,712 |
9,624 |
19,28 |
|
|
|
|
|
|
|
|
|
|
|
|
|
14 |
3,318 |
5,524 |
11,08 |
21,56 |
30,93 |
|
|
|
|
|
|
|
|
|
|
|
|
16 |
3,6 |
5,93 |
11,8 |
22,7 |
32,57 |
47,18 |
|
|
|
|
|
|
|
|
|
|
|
20 |
4,371 |
6,742 |
13,25 |
24,97 |
35,85 |
51,65 |
68,49 |
95,81 |
|
|
|
|
|
|
|
|
|
25 |
5,142 |
7,871 |
15,07 |
27,82 |
39,95 |
57,25 |
75,87 |
105,1 |
136,4 |
|
|
|
|
|
|
|
|
30 |
5,913 |
8,981 |
17,35 |
30,66 |
44,05 |
62,84 |
83,24 |
114,3 |
147,9 |
180,6 |
|
|
|
|
|
|
|
35 |
6,685 |
10,09 |
19,32 |
33,88 |
48,43 |
68,44 |
90,62 |
123,6 |
159,4 |
194,6 |
246,9 |
340,6 |
|
|
|
|
|
40 |
7,456 |
11,2 |
21,3 |
36,96 |
52,87 |
74,45 |
97,99 |
132,9 |
170,9 |
208,6 |
263,5 |
361,8 |
479,1 |
|
|
|
|
45 |
8,227 |
12,31 |
23,27 |
40,05 |
57,31 |
80,5 |
105,7 |
142,1 |
182,5 |
222,6 |
280,1 |
373 |
505,2 |
|
|
|
|
50 |
8,999 |
13,42 |
25,25 |
43,13 |
61,76 |
86,55 |
113,6 |
152,4 |
194 |
236,6 |
296,7 |
404,1 |
531,2 |
844,8 |
|
|
|
55 |
8,769 |
14,53 |
27,22 |
46,22 |
66,2 |
92,59 |
121,5 |
162,4 |
206,8 |
250,7 |
313,3 |
425,3 |
557,3 |
882,4 |
1304 |
|
|
60 |
10,54 |
15,64 |
29,2 |
49,3 |
70,64 |
98,64 |
129,4 |
172,4 |
219,1 |
266,5 |
329,9 |
446,5 |
583,3 |
920,1 |
1356 |
|
|
65 |
11,31 |
16,76 |
31,17 |
52,39 |
75,08 |
104,7 |
137,3 |
182,4 |
231,5 |
281,4 |
348,8 |
467,7 |
609,4 |
957,7 |
1407 |
2009 |
|
70 |
12,08 |
17,87 |
33,14 |
55,47 |
79,53 |
110,7 |
145,2 |
192,4 |
243,8 |
296,4 |
366,5 |
491,1 |
635,4 |
995,3 |
1458 |
2076 |
|
75 |
12,85 |
18,98 |
35,12 |
58,56 |
83,97 |
116,8 |
153,1 |
202,4 |
256,1 |
311,3 |
384,3 |
513,6 |
664 |
1033 |
1509 |
2143 |
|
80 |
13,63 |
20,09 |
37,09 |
61,64 |
88,42 |
122,8 |
161 |
212,4 |
268,1 |
326,2 |
402,1 |
536,1 |
691,8 |
1071 |
1561 |
2211 |
|
85 |
|
21,2 |
39,07 |
64,73 |
92,86 |
128,9 |
168,9 |
222,4 |
280,8 |
341,2 |
419,8 |
558,6 |
719,5 |
1108 |
1612 |
2278 |
|
90 |
|
22,31 |
41,04 |
67,81 |
97,29 |
134,9 |
176,8 |
232,4 |
293,2 |
356,1 |
437,6 |
581 |
747,3 |
1151 |
1663 |
2345 |
|
95 |
|
|
43,02 |
70,9 |
101,7 |
141 |
184,7 |
242,4 |
305,5 |
371 |
455,4 |
603,5 |
775,1 |
1191 |
1715 |
2412 |
|
100 |
|
|
44,99 |
73,98 |
106,2 |
147 |
192,6 |
252,4 |
317,8 |
385,9 |
473,2 |
626 |
802,8 |
1231 |
1766 |
2479 |
|
105 |
|
|
|
77,07 |
110,6 |
153,1 |
200,5 |
262,4 |
330,2 |
400,9 |
490,9 |
648,5 |
830,6 |
1271 |
1826 |
2546 |
|
110 |
|
|
|
80,15 |
115,1 |
159,1 |
208,4 |
272,3 |
342,5 |
415,8 |
508,7 |
671 |
858,4 |
1311 |
1880 |
2614 |
|
115 |
|
|
|
83,23 |
119,5 |
165,2 |
216,3 |
282,3 |
354,9 |
430,7 |
526,5 |
693,5 |
886,1 |
1351 |
1934 |
2690 |
|
120 |
|
|
|
86,32 |
124 |
171,2 |
224,2 |
292,3 |
367,2 |
445,7 |
544,2 |
716 |
913,9 |
1391 |
1989 |
2760 |
|
125 |
|
|
|
89,4 |
128,4 |
177,2 |
232,1 |
302,3 |
379,5 |
460,6 |
562 |
738,5 |
941,7 |
1431 |
2043 |
2831 |
|
130 |
|
|
|
92,49 |
132,8 |
183,3 |
240 |
312,3 |
391,9 |
475,5 |
579,8 |
761 |
969,5 |
1471 |
2098 |
2903 |
|
140 |
|
|
|
98,66 |
141,7 |
195,4 |
255,8 |
332,3 |
416,6 |
505,4 |
615,3 |
806 |
1025 |
1551 |
2207 |
3045 |
|
150 |
|
|
|
104,8 |
150,6 |
207,5 |
271,6 |
352,3 |
441,2 |
535,2 |
650,8 |
850,1 |
1080 |
1631 |
2315 |
3187 |
|
160 |
|
|
|
111 |
159,5 |
219,6 |
287,4 |
372,3 |
465,9 |
565,1 |
686,4 |
895,9 |
1136 |
1711 |
2424 |
3329 |
|
170 |
|
|
|
117,2 |
168,4 |
231,7 |
303,2 |
392,3 |
490,6 |
595 |
721,9 |
940,9 |
1192 |
1790 |
2533 |
3471 |
|
180 |
|
|
|
123,3 |
177,3 |
243,8 |
||||||||||
